Le Pont de Diodes : Un Coeur de l'Électronique
Qu'est-ce qu'un Pont de Diodes ?
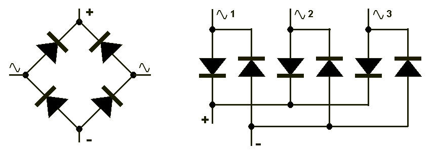
Un pont de
diodes est un circuit électronique constitué de quatre diodes
connectées en un arrangement spécifique, formant ainsi une sorte de
"pont". Sa fonction principale est de redresser un
courant alternatif (CA) en courant continu (CC). En d'autres termes, il
transforme un courant qui change constamment de sens en un courant qui
ne circule que dans une seule direction.
Comment ça marche ?
- Principe de base :
Les diodes sont des composants électroniques qui laissent passer le
courant électrique dans un seul sens. Dans un pont de diodes, les
diodes sont disposées de manière à permettre au courant alternatif de
circuler dans un seul sens, quelle que soit sa polarité.
- Fonctionnement :
Lorsque le courant alternatif change de sens, les diodes se polarisent
alternativement dans le sens direct, laissant passer le courant, puis
dans le sens inverse, bloquant le courant. Le résultat est un courant
pulsé en sortie, qui peut ensuite être filtré pour obtenir un courant
continu plus stable.
Les Applications du Pont de Diodes
Le pont de diodes est un composant très utilisé dans de nombreuses applications électroniques, notamment :
- Alimentations électriques :
Les ponts de diodes sont couramment utilisés dans les alimentations
pour transformer le courant alternatif du secteur en courant continu
nécessaire pour alimenter les appareils électroniques.
- Chargeurs de batteries : Ils permettent de charger des batteries en convertissant le courant alternatif en courant continu.
- Détecteurs de crête : Les ponts de diodes peuvent être utilisés pour mesurer la valeur de crête d'un signal alternatif.
- Onduleurs : Ils entrent dans la composition des onduleurs, qui convertissent le courant continu en courant alternatif.
Les Différents Types de Ponts de Diodes
Il existe
différents types de ponts de diodes, qui se distinguent par leur
tension et leur courant maximum supportables. Le choix du pont de
diodes dépend de l'application et des caractéristiques du signal à
redresser.

Les Avantages du Pont de Diodes
- Simplicité : Le pont de diodes est un circuit simple et peu coûteux à réaliser.
- Fiabilité : Les diodes sont des composants très fiables, ce qui garantit une longue durée de vie du pont.
- Polyvalence : Le pont de diodes peut être utilisé dans de nombreuses applications différentes.
Les Limites du Pont de Diodes
- Ondulation : Le
courant continu obtenu en sortie d'un pont de diodes présente une
certaine ondulation, qui peut être atténuée par l'ajout d'un filtre.
- Chute de tension : Les diodes provoquent une chute de tension, ce qui réduit légèrement la tension en sortie du pont.
Conclusion
Le pont de
diodes est un composant électronique essentiel qui joue un rôle clé
dans la conversion du courant alternatif en courant continu. Sa
simplicité, sa fiabilité et sa polyvalence en font un élément
incontournable dans de nombreux circuits électroniques.